Ürün Açıklaması
STRİKE 7.60 Su Geçirmez Kartlı Geçiş Cihazı Teknik Özellikler
IP 68 koruma standardına sahiptir.
Su geçirmez olduğu için dış mekanlarda da güvenle tercih edilebilmektedir.
Arm işlemcisi hızlı okumalar yapılabilmesine imkan tanır.
Bronz metal kasası, darbelere karşı dayanıklı üst düzey koruma sağlamaktadır.
Standalone olarak yani bilgisayara bağlı olmadan çalışma sağlarlar.
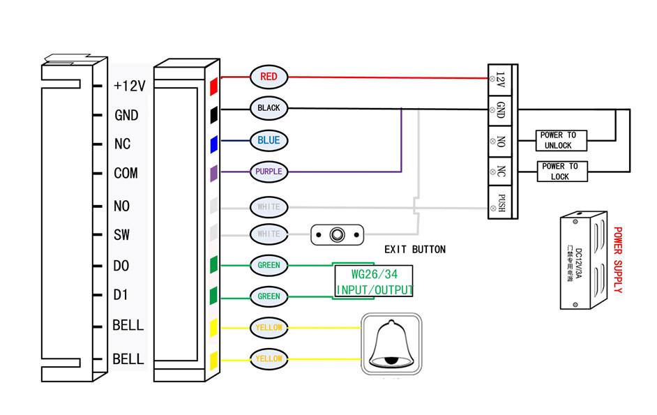
Manyetik olarak kontak bağlanabilmektedir.
Cihazın tetik süresini istediğiniz gibi ayarlayabilirsiniz.
Dokunmatik aydınlatmalı olan tuşlara sahiptir.
Maksimum olarak 15 santimetre mesafeden okuma yapabilmektedir.
-45 derece ve +60 derece arası sıcaklıklarda çalışma sağlar.
600 kilogramlık ağırlığa sahiptir.
12 volt 1.5 A çalışma voltajı bulunur.
Ebatı: 160 mm x 43 mm x 21 mm’dir.
İlgili Arama Etiketleri: standalone kart okuyucu, kartlı geçiş sistemi, kartlı geçiş sistemleri, kartlı geçiş kontrol terminalleri, kart okuma cihazı, kart okuyucu, kartlı geçiş sistemi fiyatı, kartlı geçiş sistemi fiyatları







0 212 220 69 57

